string(4) "3199"

Горелка РМГ-2 (РМГ-2П) в Кемерово

Версия
для печати
Товар отсутствуетИзготовление под заказ! Цена по запросу.
Получите скидку
у менеджера
Цена на горелка РМГ-2 (РМГ-2П) с доставкой от 0 рублей с НДС
Доставка ТК в г. Кемерово и по России
Безналичный расчет
Опросный лист
  • Технические
    характеристики
  • Описание
    товара
  • Отзывы о
    продукции

Технические характеристики горелки РМГ-2

Бренд Отечественная горелка
Тип РМГ-2 (РМГ-2П)
Топливо Мазут, Дизель
Номинальная тепловая мощность, МВт 2.2 (+0.22; -0.11)
Коэффициент рабочего регулирования, не менее 4
Номинальное разрежение в камере горения (топке), Па 20 (±20)
Номинальный расход жидкого топлива при Qc =40,53 МДж/кг (9680 ккал/кг), кг/ч 196
Кинематическая вязкость жидкого топлива перед горелкой, мазута / легкого жидкого топлива, мм²/с 44
Номинальное давление первичного (распыливающего) воздуха, кПа 4.5 (±0.5)
Температура воздуха перед горелкой, °С от 10 до 40
Минимальный коэффициент избытка воздуха при сжигании жидкого топлива в номинальном режиме, не более 1.2
Содержание оксида углерода в сухих продуктах сгорания, не более, мг/м³ 200 / 135
Содержание оксидов азота в сухих продуктах сгорания, не более, мг/м³ 300 / 290
Потери тепла от химической неполноты сгорания в диапазоне рабочего регулирования, не более, % 0.1
Потери тепла от механической неполноты сгорания, мазут / легкое жидкое топливо, не более, % 0.5 / 0.3
Сажевое число по шкале Бахараха в диапазоне рабочего регулирования, мазут / легкое жидкое топливо, не более 3 / 2
Длина факела при номинальной мощности, не более, м 2.5
Уровень звука в зоне обслуживания горелки, не более, дБа 80
Электродвигатель форсунки 1.5
Максимальная тепловая мощность, кВт 3000
Номинальное напряжение питания, 3 фазы, (50 Гц), В 380
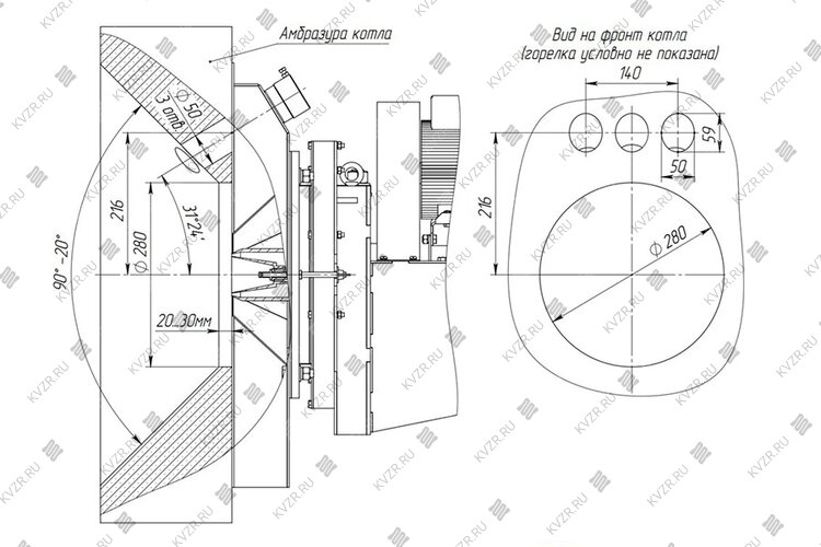
Габаритные размеры: длина*ширина*высота, мм 735х680х760
Масса, кг 150

Горелка РМГ-2 (РМГ-2П) в Кемерово

Мазутная горелка РМГ-2 предназначена для сжигания только мазута. Горелка РМГ-2П для сжигания нефти, легкого жидкого топлива, а также дизельного, печного бытового топлива, мазута в топках котлов соответствующей тепловой мощности оборудованных дымососом. Горелка имеет встроенный топливный насос с редуктором и блок электромагнитных клапанов.

Гарантийный срок эксплуатации – 12 месяцев со дня ввода горелки в эксплуатацию, но не более 18 месяцев со дня отгрузки с предприятия-изготовителя при соблюдении потребителем условий эксплуатации, транспортирования и хранения.

Вся продукция завода сертифицирована и соответствует Техническому регламенту Таможенного союза (ТР ТС 010/2011).

На поставленную продукцию поставщик предоставляет паспорт, руководство по эксплуатации, копию сертификата соответствия, заверенную заводом изготовителем.

Купить горелку РМГ-2 (РМГ-2П)

Для того чтобы купить горелку РМГ 2 (РМГ 2П) в Кемерово, вы можете сделать заявку в отдел сбыта по телефону (38-52) 29-97-41 (42), либо оформить заявку онлайн. Наши менеджеры дадут консультацию по подбору вспомогательного оборудования для выбранных вами моделей и рассчитают стоимость доставки до вашего региона и населенного пункта.

Дополнительные услуги

Отзывы о продукции

Отзыва о товаре пока нет, будьте первыми!

Вопрос-ответ

  • Технические
    характеристики
  • Описание
    товара
  • Отзывы о
    продукции
Документы завода
  • Сертификаты завода
  • Членство в СРО
  • Аттестованная технология сварки
  • Патенты на котельное оборудование
  • Товарные знаки
Смотреть все документы
Сертификат на водогрейные котлы на твердом и жидком топливе
Сертификат на водогрейные котлы на газе и жидком топливе
Сертификат на котлы отопительные паровые КП
Сертификат на топки
Сертификат на щиты управления
Сертификат на скиповые подъемники
Сертификат на золоуловители (циклоны)
Сертификат на конвейеры скребковые
Сертификат на дробилки
Сертификат на клапаны предохранительные
Сертификат на бункер-накопитель механизированный
Сертификат на автоматику газовых горелок
Сертификат о происхождении товара форма СТ-1
Членство в СРО
Членство в СРО
Аттестованная технология сварки
Свидетельство аттестованной технологии сварки
Патент на отопительный котел
Патент на водогрейный котел
Патент на топку водогрейного котла
Патент на водогрейный газовый котел
Патент на водогрейный котел
Патент на топочное устройство твердотопливного котла
Патент на водогрейный котел
HEATEXPERT товарный знак
KVZR товарный знак
STEAMEXPERT товарный знак
Другая похожая продукция
Вы просматривали эти товары
Цена по запросу
Котел с РПК
Лизинг
Вид топкиМеханическая, РПК
Максимальная тепловая мощность, МВт0.7
ТопливоТвердое, Уголь
Отапливаемая площадь, м²5400-7700
840 000 р. Цена с НДС
Котел КВа HeatExpert
Лизинг
Вид топкиГазовая горелка
Максимальная тепловая мощность, кВт2000
ТопливоГаз
Отапливаемая площадь, м²16700-21900
1 050 000 р. Цена с НДС
Дизельный парогенератор 2500 кг в час
Лизинг
Производительность, кг/ч2500
ТопливоЖидкое, Дизель
Температура пара, не более, °C170
Давление пара, не более, МПа0.9
2 461 000 р. Цена с НДС
background